欢迎光临“无锡市双瑞机械有限公司”网站!

全国咨询热线:

13861731823

新闻详细 当前位置:首页 > 新闻信息 > 详细内容

筒锥式反应过滤洗涤干燥四合一的原理及工艺研究

发布时间:2019-08-15

      过滤洗涤干燥机(业内俗称“三合一”)能实现物料的过滤、洗涤、干燥、灭-菌、卸料等连续工艺过程,其操作方式属于分批式操作(间歇操作),应用于食品、化工等领域,可以避-免物料在转移过程中可能引起的物料损失、污染及环境污染。现有三合一的结构是平板式,但是在长期生产使用中发现一些缺陷,例如:圆形平底过滤面积小;侧面出料,导致出料不彻-底;干燥效-果不理想,干燥过程中的物料翻动小,换热效率低,干燥效-果受限制等。

      为了克服上述单元设备组合中存在的问题与不足,同时满-足化学工业向高-品-质、高附加值、多品种、小批量的转变,无锡双瑞进行了大量的设计研发工作,终于研制成功了集过滤、洗涤、干燥于一体的多功能筒锥式反应过滤干燥机,并成功申请专-利(专-利号:ZL201721560677.6.),实现了装备技数性能的较大改进,从结构设计到应用都紧跟行业相应法规要求。该设备具有过滤、洗涤、干燥三个主要功能,还兼有反应、萃取、结晶、浓缩、蒸发、混合、破碎等多项功能,属于改进型多功能设备。

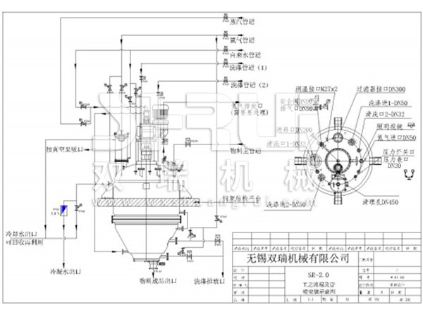
筒锥式反应过滤洗涤干燥四合一  工作原理
新型过滤洗涤干燥机为筒锥式结构,在圆筒体和下部锥体上设置有加热夹套,可对物料进行加热或冷却,在多功能机内-部设置有空心轴和变角度变导程空心螺旋搅拌装置搅拌,对物料进行搅拌和提-升,在出料时推出物料。在下部锥体-内设置有结构较为复杂的圆锥形过滤装置,在设备底部有特-殊设计的无-死-角快开出料装置或无-死-角气动出料球阀。
在反应阶段,反应物料从顶部加入,独-特的搅拌结构可使物料在机内得到十-分均匀的搅拌,并通过筒体夹套、锥体夹套及空心轴、空心螺旋叶的同时加热或冷却,使物料在机内充-分反应。在过滤阶段,本机可使物料在机内通过加压或抽真空过滤滤干,并加入洗涤液,使物料在机内进行多次自动再浆洗涤,达到洗涤要求后再压干。在干燥阶段,筒体夹套、锥体夹套、空心轴、空心螺带同时对物料进行加热并在顶部抽真空,对物料进行真空密闭低温干燥,干燥后自动密闭出料。
筒锥式反应过滤洗涤干燥四合一  工艺流程
   1、搅拌反应
    将需要进行反应的物料(固液、液液或气液)从设备顶部加料口加入,启动电机及减速机,使空心轴和空心螺带按顺时针方向旋转(从顶部往下看),这时独-特的搅拌结构可使物料在机内充-分搅拌并充-分反应。在反应过程中如要对物料进行加热或冷却,可在筒体和锥体夹套中以及空心轴和空心螺带中通入热媒或冷媒。热媒或冷媒不断循-环,可完成对物料加热或冷却,满-足反应所需的工艺条件。
   2、压滤或真空过滤
    反应结束,打开下部滤液出口,在设备内通入压缩空气或氮气等气体,对经过反应的固液混合物进行加压过滤,直到把机内物料压干。也可在滤液出口抽真空,对物料进行真空过滤,直到把滤液抽干为止。过滤时可使空心轴和空心螺带按顺时针方向旋转(从顶部往下看),对物料进行提-升,并使空心螺带在旋转时限制滤饼层的厚度,使物料在薄的滤饼层条件下进行过滤,以提-高过滤速率。对于易过滤的物料,过滤时可不搅拌,直接把物料滤干。
   3、可多次洗涤过滤
 有些物料过滤完以后,还要进行多次洗涤。反应过滤干燥多功能机用于对物料的反复多次洗涤是理想的设备。物料在机内压干后,可在顶部洗涤液入口加入洗涤液, 然后通过空心轴和空心螺带的搅拌,对滤饼进行均匀再浆,再浆搅拌均匀后再把物料压干。若洗涤1次不够,可进行多次洗涤,这时重复上述步骤多次可,操作方便,劳动强度低。
 以上述方法对物料进行洗涤,我们称之为间歇洗涤法。由于每次是把物料压干后再加洗涤液进行洗涤,因而操作时虽然开关阀门次数多一点,但用的洗涤液较少。该机也可对物料进行连续洗涤,即把洗涤液用泵或其它方法连续压入,利用洗涤液的压力进行过滤,空心轴和空心螺带则不断地搅拌,滤液从滤液出口连续排出,直至达到洗涤要求为止,再把滤饼压干。这种连续洗涤的方法,一般比间歇洗涤用的洗涤液量要多,但操作方便。
   4、真空干燥出料
    过滤或洗涤过滤压干的滤饼存留在机内,这时在筒体夹套、锥体夹套和空心轴、空心螺带内通入热媒,对物料进行加热,同时空心轴和空心螺带仍以顺时针方向旋转(从顶部往下看),对物料进行向上提-升并充-分搅拌,而在设备的顶部则进行抽真空,使物料在机内进行真空密闭干燥。由于除夹套加热以外,还有空心轴和空心螺带从内-部加热,再加上是在抽真空条件下进行干燥,因而干燥效率很高。
 干燥结束,打开设备下部的快开出料口,使空心轴和空心螺带按逆时针方向旋转(从顶部往下看),机内干燥好的物料将自动被推向出料口。至此,一批物料的反应、过滤、洗涤和干燥过程结束。


相关标签:过滤洗涤干燥,反应过滤洗涤干燥机四合一,结晶过滤洗涤干燥四合一,筒锥式反应洗涤干燥三合一,

相关产品

  • 筒锥式全自动过滤洗涤干燥三合一设备

    筒锥式全自动过滤洗涤干燥三合一设备

  • 平板式过滤洗涤干燥三合一

    平板式过滤洗涤干燥三合一

  • API原料药精烘包三合一干燥机

    API原料药精烘包三合一干燥机

  • 中试过滤洗涤干燥三合一(筒锥式-100L)

    中试过滤洗涤干燥三合一(筒锥式-100L)

在线QQ

联系手机13861731823

联系电话0510-83451680